100kg 500kg 1t 2t 3t 5t 6t 8t 10t 12t 圆形压力称重测力传感器
型号: YGX-YBQ
压力称重测力传感器
合金钢材料
量程: 1, 2, 3, 5, 10, 20, 30, 50, 60, 80, 100, 120KN
( 100,200,300,500kg ; 1, 2, 3, 5, 6, 8, 10, 12T )
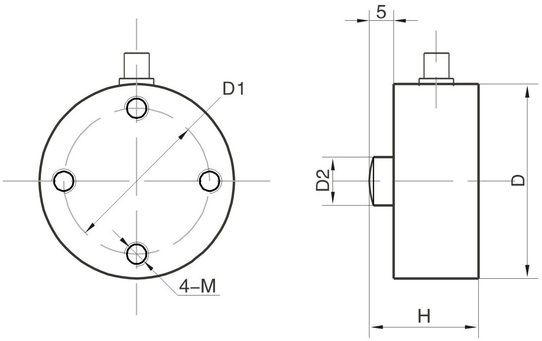
尺寸(mm):

尺寸(mm)
量程(KN) |
D |
D1 |
D2 |
M |
H |
| 1-30 ( 0.1~3T ) |
80 |
65 |
22 |
5 |
45 |
| 50-60 ( 5~6T ) |
83 |
68 |
22 |
6 |
45 |
| 80-120 ( 8~12T ) |
115 |
92 |
26 |
8 |
60 |
技术参数
| 综合精度 |
0.1%F.S. |
| 输出灵敏度 |
1.5~2.0 mV / V |
| 非线性 |
≤0.1 % F.S. |
| 重复性 |
≤0.05% F.S. |
| 滞后性 |
0.1 % F.S. |
| 温度灵敏度漂移 |
<0.1 % F.S./10℃ |
| 零点温度漂移 |
<0.1 % F.S./10℃ |
| 输入电阻 |
760Ω |
| 输出电阻 |
700Ω |
| 绝缘电阻 |
>2000MΩ |
| 推荐激励电压 |
10 VDC |
| 激励电压范围 |
6~12 VDC |
| 工作温度范围 |
- 30 ~ 70oC |
| 安全过载 |
120% F.S. |
| 电缆长度 |
3 m |
| 防护等级 |
IP65 |
| 接线方式 |
输入: 红 (+) 黑 (-) ;
输出: 绿 (+) 白 (-)
|
|