| |
|
|
深圳市怡冠兴科技发展有限公司
联系人:袁桂根
手机:13632804287
微信:13632804287
QQ :1225609859
Skype: yuanguigen
E-mail: stevenyuanexport@163.com
地址:深圳市南山区南头街道红花路
|
|
|
|
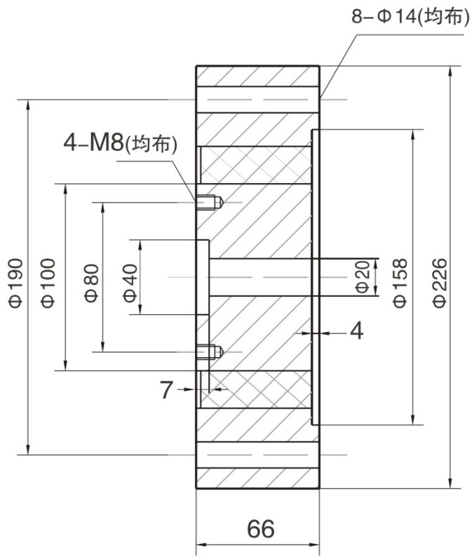
2t 3t 20t 30t 2吨 3吨 20吨 30吨 轮辐压力称重测力传感器
型号: YGX-LFB
压力称重测力传感器
合金钢材料
量程: 20,30,200,300KN
(2, 3, 20, 30T )
尺寸(mm):

技术参数
| 综合精度 |
0.1%F.S. |
| 输出灵敏度 |
1.5 mV / V |
| 非线性 |
≤0.1 % F.S. |
| 重复性 |
≤0.05% F.S. |
| 滞后性 |
0.1 % F.S. |
| 温度灵敏度漂移 |
<0.05 % F.S./10℃ |
| 零点温度漂移 |
<0.05 % F.S./10℃ |
| 输入电阻 |
380/760Ω |
| 输出电阻 |
350/700Ω |
| 绝缘电阻 |
>2000MΩ |
| 推荐激励电压 |
10 VDC |
| 激励电压范围 |
6~12 VDC |
| 工作温度范围 |
- 30 ~ 70oC |
| 安全过载 |
120% F.S. |
| 电缆长度 |
3 m |
| 防护等级 |
IP65 |
| 接线方式 |
输入: 红 (+) 黑 (-) ;
输出: 绿 (+) 白 (-)
|
|
|
|