| |
|
|
深圳市怡冠兴科技发展有限公司
联系人:袁桂根
手机:13632804287
微信:13632804287
QQ :1225609859
Skype: yuanguigen
E-mail: stevenyuanexport@163.com
地址:深圳市南山区南头街道红花路
|
|
|
|
200kg 1t 5t 10t 12t 15t 20t 25t 30t 轮辐压力称重测力传感器
型号: YGX-LFF
压力称重测力传感器
合金钢材料
量程: 2, 5, 10, 20, 50, 70, 100, 120, 150, 200, 250, 300KN
( 200, 500kg ; 1, 2, 5, 7, 10, 12, 15, 20, 25, 30T )
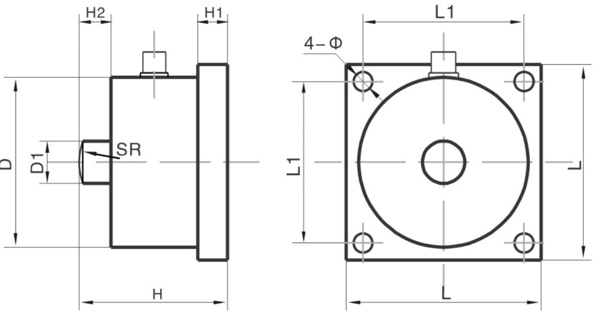
尺寸(mm):

尺寸(mm)
量程(KN) |
L |
L1 |
H2 |
D |
D1 |
H |
H1 |
SR |
Ø |
| 2-5 ( 200, 500kg ) |
92 |
76 |
12 |
90 |
16 |
50 |
10 |
30 |
Ø9 |
| 10-50 ( 1~5T ) |
92 |
76 |
15 |
90 |
20 |
70 |
14 |
65 |
Ø9 |
| 70-120 ( 7~12T ) (类型 I) |
114 |
96 |
16 |
110 |
30 |
77 |
16 |
100 |
Ø11 |
| 70-120 ( 7~12T ) (类型 II) |
124 |
102 |
16 |
120 |
30 |
77 |
16 |
100 |
Ø11 |
| 150-200 ( 15~20T ) |
135 |
110 |
22 |
130 |
40 |
87 |
20 |
150 |
Ø15.5 |
| 250-300 ( 20~30T ) |
150 |
122 |
27 |
142 |
50 |
100 |
25 |
150 |
Ø17.5 |
技术参数
| 综合精度 |
0.05/0.1%F.S. |
| 输出灵敏度 |
1.5~2.0 mV / V |
| 非线性 |
≤0.05/0.1 % F.S. |
| 重复性 |
≤0.05% F.S. |
| 滞后性 |
0.05/0.1 % F.S. |
| 温度灵敏度漂移 |
<0.05 % F.S./10℃ |
| 零点温度漂移 |
<0.05 % F.S./10℃ |
| 输入电阻 |
380/760Ω |
| 输出电阻 |
350/700Ω |
| 绝缘电阻 |
>2000MΩ |
| 推荐激励电压 |
10 VDC |
| 激励电压范围 |
6~12 VDC |
| 工作温度范围 |
- 30 ~ 70oC |
| 安全过载 |
120% F.S. |
| 电缆长度 |
3 m |
| 防护等级 |
IP65 |
| 接线方式 |
输入: 红 (+) 黑 (-) ;
输出: 绿 (+) 白 (-)
|
|
|
|