Model: YGX-LFD
Tension and compression load cell
Made of alloy steel
Capacity: 0.5,1,2,5,10,20,50,100,200,300,500,600,1000,2000KN
(50, 100, 200, 500KG; 1, 2, 5, 10, 20, 30, 50, 60, 100, 200T )
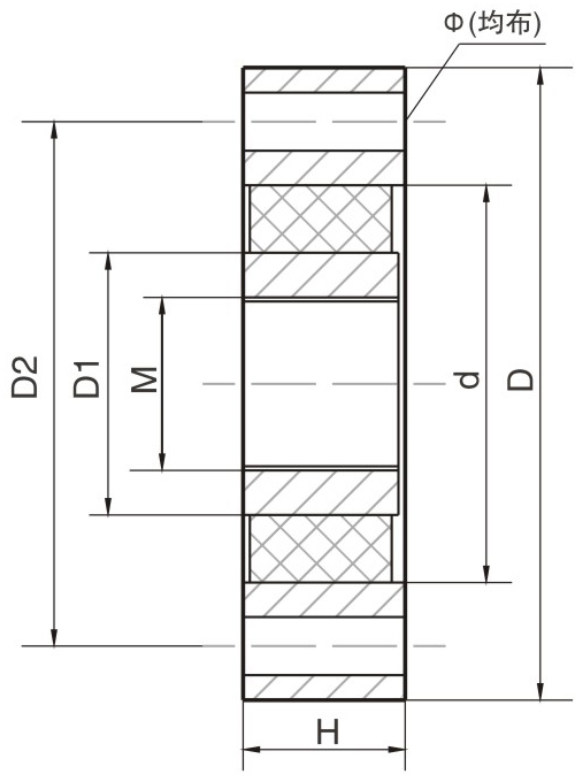
Dimensions(mm):

Size(mm)
Capacity(KN) |
D |
D1 |
D2 |
M |
d |
H |
Ø |
| 0.5-5 ( 50~500KG ) |
90 |
25 |
75 |
M16x1.5 |
61 |
25 |
4- Ø7 |
| 10 ( 1T ) |
112 |
35 |
96 |
M20x2 |
72 |
30 |
8- Ø9 |
| 20 ( 2 T ) |
125 |
44 |
105 |
M24x2 |
93 |
42 |
8- Ø11 |
| 50-100 ( 5~10T ) |
150 |
48 |
122 |
M30x2 |
96 |
45 |
8- Ø11 |
| 200-300 ( 20~30T ) |
180 |
70 |
142 |
M42x3 |
110 |
53 |
16- Ø13.5 |
| 500-600 ( 50~60T ) |
234 |
97 |
194 |
M64x3 |
147 |
60 |
16- Ø21.5 |
| 1000 ( 100T ) |
320 |
162 |
295 |
M96x4 |
220 |
100 |
16- Ø26 |
| 2000 ( 200T ) |
360 |
200 |
310 |
M120x4 |
258 |
126 |
16- Ø29 |
Specification
| Accuracy |
0.1%F.S. |
| Rated output |
2.0 mV / V |
| Non-linearity |
≤0.1 % F.S. |
| Repeatability |
≤0.5% F.S. |
| Hysteresis |
≤0.1 % F.S. |
| Temperature effect on sensitivity |
<0.05 % F.S./10℃ |
| Temperature effect on zero balance |
<0.05 % F.S./10℃ |
| Input impedance |
380/760Ω |
| Output impedance |
350/700Ω |
| Insulation |
>2000MΩ |
| Recommended excitation |
10 VDC |
| Excitation range |
6~12 VDC |
| Operation temperature range |
- 30 ~ 70oC |
| Safe overload |
120% F.S. |
| Cable |
3 m |
| Protection class |
IP65 |
| Wiring |
Red: + Excitation Black: - Excitation
Green: + Signal White: - Signal
|